你看到的化工行業是什么樣的?你可知道他的全貌?在龐大的化工產業鏈中,從原料到產品,你的行業又在什么位置呢?
石油化工產業鏈

石油化工產業鏈是以石油為起始原料,進行裂解,生成以乙烯、丙烯、丁二烯、苯、甲苯、二甲苯為代表的基本化工原料,再以這些基本化工原料生產多種有機化工原料及合成材料,最后生產出終端產品的鏈條。

乙烯是有機化工的基本原料。在有機合成方面,用于合成乙醇、環氧乙烷、乙二醇、乙醛、乙酸、丙醛、丙酸及其衍生物等多種基本有機合成原料,經鹵化,可制氯代乙烯、氯代乙烷、溴代乙烷,經齊聚可制α-烯烴,進而生產高級醇、烷基苯等。在合成材料方面,大量用于生產聚乙烯、氯乙烯及聚氯乙烯,乙苯、苯乙烯及聚苯乙烯以及乙丙橡膠等。

丙烯可用于生產多種重要有機化工原料、合成樹脂、合成橡膠及多種精細化學品等,其中用量最大的是生產聚丙烯,另外丙烯可制丙烯腈、異丙醇、苯酚和丙酮、丁醇和辛醇、丙烯酸及其脂類以及制環氧丙烷和丙二醇、環氧氯丙烷和合成甘油等。

C4餾分主要為含四個碳原子的多種烷烴、烯烴、二烯烴和炔烴的混合物。C4餾分是一種可燃氣體,但通常是以液態貯運。可作為燃料,或經分離作基本有機化工原料。具有工業意義的C4烴主要組分有正丁烷、異丁烷、1-丁烯、異丁烯、1,3-丁二烯、C4炔烴等,其中以1,3-丁二烯最為重要。

苯在工業上用途很廣,接觸的行業主要有染料工業,用于農藥生產及香料制作的原料等,苯又作為溶劑和粘合劑用于造漆、噴漆、制藥、制鞋及苯加工業、家具制造業等。
苯經取代反應、加成反應、氧化反應等生成的一系列化合物可以作為制取塑料、橡膠、纖維、染料、去污劑、殺蟲劑等的原料。

其中大約10%的苯用于制造苯系中間體的基本原料。苯與乙烯生成乙苯,乙苯可用來生產制塑料的苯乙烯。苯與丙烯生成異丙苯,異丙苯可以經異丙苯法來生產丙酮與制樹脂和粘合劑的苯酚。苯還可以合成順丁烯二酸酐,合成用于制作苯胺的硝基苯,合成用于農藥的各種氯苯,合成用于生產洗滌劑和添加劑的各種烷基苯,以及合成氫醌,蒽醌等化工產品。
甲苯大量用作溶劑和高辛烷值汽油添加劑,也是有機化工的重要原料。甲苯可用于脫烷基制苯或岐化制二甲苯。甲苯可衍生的一系列中間體,可進行側鏈氯化得到的一氯芐、二氯芐和三氯芐,包括它們的衍生物苯甲醇,苯甲醛和苯甲酰氯,還可制備甲苯的環氯化產物,甲苯硝化制得大量的中間體,廣泛用于染料、醫藥、農藥、火炸藥、助劑、香料等精細化學品的生產,也用于合成材料工業。
天然氣化工行業產業鏈

天然氣化工行業產業鏈是以天然氣為原料生產化工產品的工業,是燃料化工的組成部分。

合成氣以一氧化碳和氫氣為主要組分,是用作化工原料的一種原料氣。用合成氣中的氫和空氣中的氮在催化劑作用下加壓反應可制得氨,氨加工產品有尿素、各種銨鹽(如氮肥和復合肥料)、硝酸、烏洛托品、三聚氰胺等。用一氧化碳和氫氣在催化劑作用下反應可制得甲醇。合成氣在鐵催化劑作用下加壓反應生成烴(費-托合成法),也可發展為生產汽油和丙酮、醇等低沸點產品。直鏈和支鏈的C2~C17烯烴與合成氣進行氫甲酰化反應生成羰基合成的產品。羰基合成生成醛,再進一步催化加氫制得醇。它們是制增塑劑的重要原料。

乙炔,可用以照明、焊接及切斷金屬(氧炔焰),也是制造乙醛、醋酸、苯、合成橡膠、合成纖維等的基本原料。在燒焊金屬方面。乙炔燃燒時能產生高溫,氧炔焰的溫度可以達到3200℃左右,用于切割和焊接金屬。乙炔也是有機合成的最重要原料,如與氯化氫、氫氰酸、乙酸加成,均可生成生產高聚物的原料。乙炔在高溫下分解為碳和氫,由此還可制備乙炔炭黑。

氫氰酸的用途很廣,可用于制造尼龍、殺蟲劑、丙烯腈和丙烯酸樹脂、金銀銅等的電鍍、金銀等的采礦業、制藥滅鼠藥、有機合成等離子蝕刻等。尤其是已二醇和甲基丙烯酸酯樹脂,對氫氰酸的需求就顯示出很大的市場強勁。
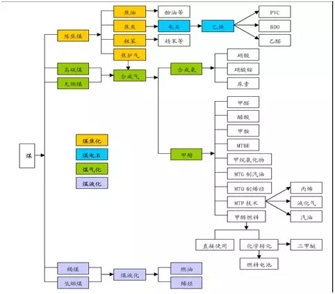
煤化工行業產業鏈

煤化工以煤為原料,經化學加工使煤轉化為氣體、液體和固體產品或半產品,而后進一步加工成化工、能源產品的工業。

煤化工按不同的工藝路線可以分為煤焦化(熱解) 、煤電石、煤氣化和煤液化。

按不同的產品路線可以分為煤制天然氣、煤制油、煤制烯烴、煤制醇醚、煤經焦碳制電石、煤制合成氨等。其中煤焦化、氯堿和合成氨制尿素等都屬于傳統煤化工。而煤制天然氣、煤制油、煤制烯烴和煤制醇醚類屬于新型現代煤化工,是目前比較受關注的領域。















